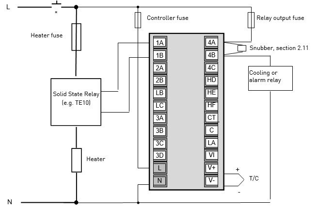
2.16.1 Heat/Cool Controller
This example shows a standard (non FM) 808 series heat/cool temperature controller where the heater control uses a SSR, triggered by a logic output on OP1, and the cooling control uses the relay, OP4.
                                         
                                    
* Safety requirements for permanently connected equipment state:
• A switch or circuit breaker shall be included in the building installation
• It shall be in close proximity to the equipment and within easy reach of the operator
• It shall be marked as the disconnecting device for the equipment
☻ A single switch or circuit breaker can drive more than one instrument